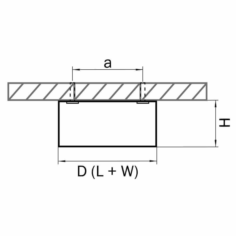
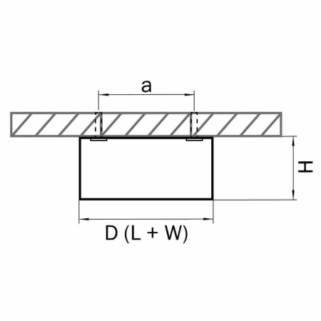
Уличный светодиодный светильник Lightstar Zolla 380174